Вы можете связаться с нами любым удобным для вас способом. Мы доступны круглосуточно по факсу, электронной почте или телефону. Мы рады сотрудничеству и будем развиваться вместе с вами.
Вы можете связаться с нами любым удобным для вас способом. Мы доступны круглосуточно по факсу, электронной почте или телефону. Мы рады сотрудничеству и будем развиваться вместе с вами.
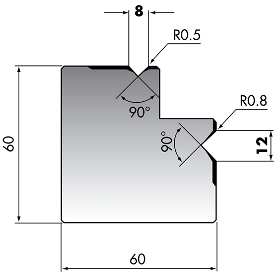
V8 и V12 гнут листовой металл толщиной 1-1,5 мм, размер квадратной матрицы: 60*60*835 мм, V8-V12, 90 градусов. Вес — 21 кг. Материал — 42CrMo4, твердость HRC47+/-3.
Размер матрицы телевизора: 120*60*835 мм, V12, 85 градусов. Материал - 42CrMo4, твердость HRC52-58. По желанию заказчика могут быть изготовлены 88°, 85°, 80°, 60°, 45°, 35°, 30°, 26° и V6, V8, V10, V16, V20, V25.
Размер матрицы телевизора: 120*60*835 мм, V12, 30 градусов. Материал - 42CrMo4, твердость HRC52-58. 88°, 85°, 80°, 60°, 45°, 35°, 30°, 26° и V6, V8, V10, V16, V20, V25 могут быть изготовлены по запросу заказчика.
Самоцентрирующиеся 2V-образные штампы размером 46*50*835 мм, 88 градусов, весом 13 кг. Мы можем изготовить V5-V9, V8-V12, V12-V20, V16-V25 и другие V-образные проемы в соответствии с толщиной гибки.Упаковка: Многослойная фанера
Вы можете связаться с нами любым удобным для вас способом. Мы доступны круглосуточно по факсу, электронной почте или телефону. Мы рады сотрудничеству и будем развиваться вместе с вами.