Вы можете связаться с нами любым удобным для вас способом. Мы доступны круглосуточно по факсу, электронной почте или телефону. Мы рады сотрудничеству и будем развиваться вместе с вами.
Вы можете связаться с нами любым удобным для вас способом. Мы доступны круглосуточно по факсу, электронной почте или телефону. Мы рады сотрудничеству и будем развиваться вместе с вами.
Размер штампа 72*25*515 мм, 86 градусов, материал 42CrMo4, вес 3,6 кг. Что касается угла, V-образного раскрытия и радиуса, мы можем изготовить их в соответствии с вашими требованиями к гибке.Приглашаем вас ознакомиться с нашим качественным инструментом для листогибочных прессов и связаться с нами для получения профессионального обслуживания!
Размер штампа 120*35*500 мм, 30 градусов, материал 42CrMo4, вес 13,2 кг. Что касается угла, V-образного раскрытия и радиуса, мы можем изготовить их в соответствии с вашими требованиями к гибке.Приглашаем вас ознакомиться с нашим качественным инструментом для листогибочных прессов и связаться с нами для получения профессионального обслуживания!
Размер штампа 120*20*500 мм, 30 градусов, материал 42CrMo4, вес 7,5 кг. Что касается угла, V-образного раскрытия и радиуса, мы можем изготовить их в соответствии с вашими требованиями к гибке.Приглашаем вас ознакомиться с нашим качественным инструментом для листогибочных прессов и связаться с нами для получения профессионального обслуживания!
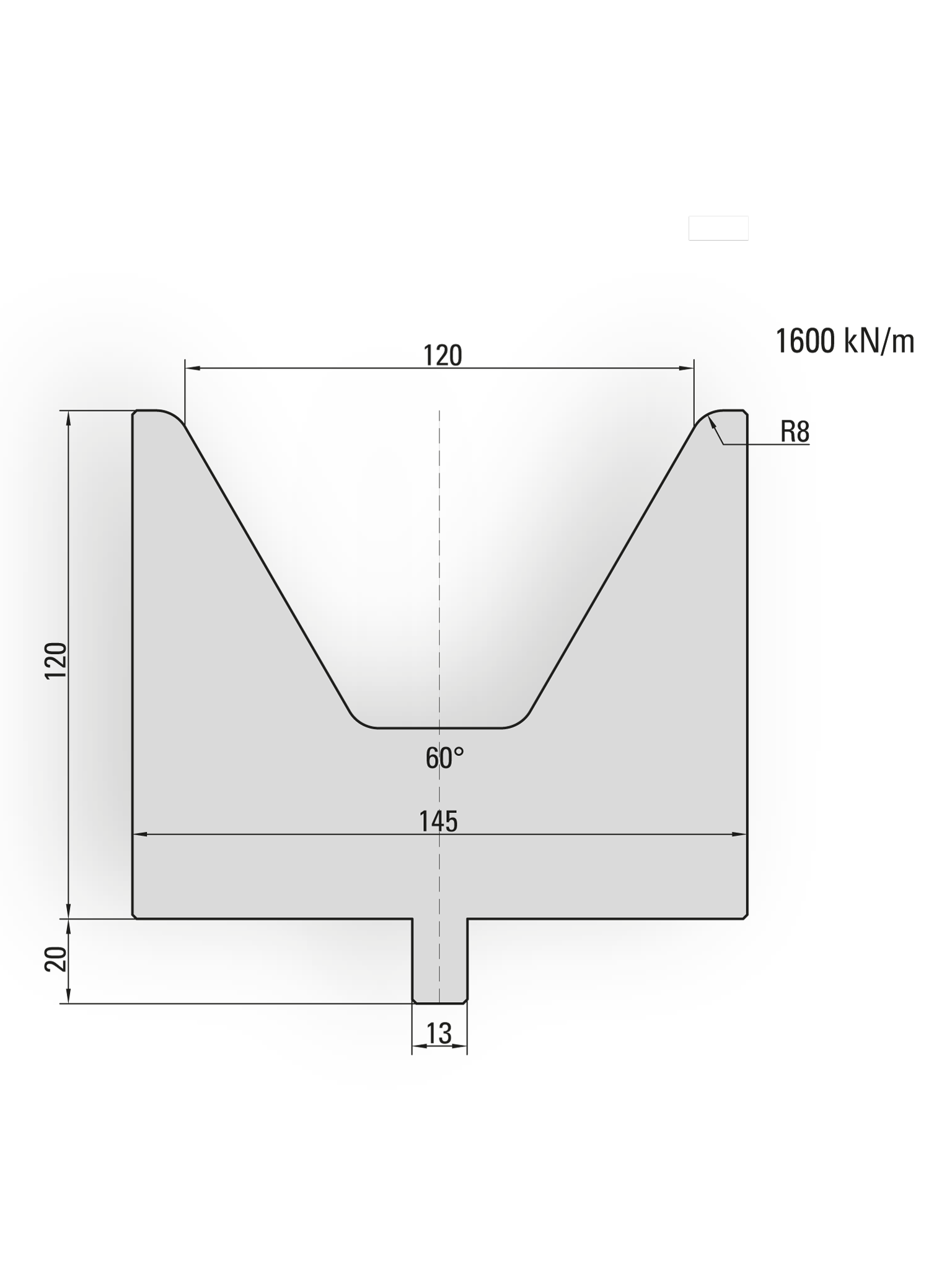
Размер штампа 140*145*500 мм, 80 градусов, материал 42CrMo4, вес 45,3 кг. Что касается угла, V-образного раскрытия и радиуса, мы можем изготовить их в соответствии с вашими требованиями к гибке.Приглашаем вас ознакомиться с нашим качественным инструментом для листогибочных прессов и связаться с нами для получения профессионального обслуживания!
Размер штампа 120*120*500 мм, 80 градусов, материал 42CrMo4, вес 44,7 кг. Что касается угла, V-образного раскрытия и радиуса, мы можем изготовить их в соответствии с вашими требованиями к гибке.Приглашаем вас ознакомиться с нашим качественным инструментом для листогибочных прессов и связаться с нами для получения профессионального обслуживания!
Размер штампа 120*55*500 мм, 80 градусов, материал 42CrMo4, вес 20,4 кг. Что касается угла, V-образного раскрытия и радиуса, мы можем изготовить их в соответствии с вашими требованиями к гибке.Приглашаем вас ознакомиться с нашим качественным инструментом для листогибочных прессов и связаться с нами для получения профессионального обслуживания!
Размер штампа 120*35*500 мм, 80 градусов, материал 42CrMo4, вес 14 кг. Что касается угла, V-образного раскрытия и радиуса, мы можем изготовить их в соответствии с вашими требованиями к гибке.Приглашаем вас ознакомиться с нашим качественным инструментом для листогибочных прессов и связаться с нами для получения профессионального обслуживания!
Комплект пресс-форм из полиуретанового (ПУ) эластомера представляет собой композитную систему пресс-форм, сочетающую металлический каркас и полиуретановый эластомер. Он эффективно поглощает ударную нагрузку при штамповке или формовке листового металла, снижает износ металлических пресс-форм и защищает поверхность листовых деталей от царапин. Для угловых и V-образных кромок мы можем изготовить пресс-форму по вашему индивидуальному заказу.
Комплект пресс-форм из полиуретанового (ПУ) эластомера представляет собой композитную систему пресс-форм, сочетающую металлический каркас и полиуретановый эластомер. Он эффективно поглощает ударную нагрузку при штамповке или формовке листового металла, снижает износ металлических пресс-форм и защищает поверхность листовых деталей от царапин. Для угловых и V-образных кромок мы можем изготовить пресс-форму по вашему индивидуальному заказу.
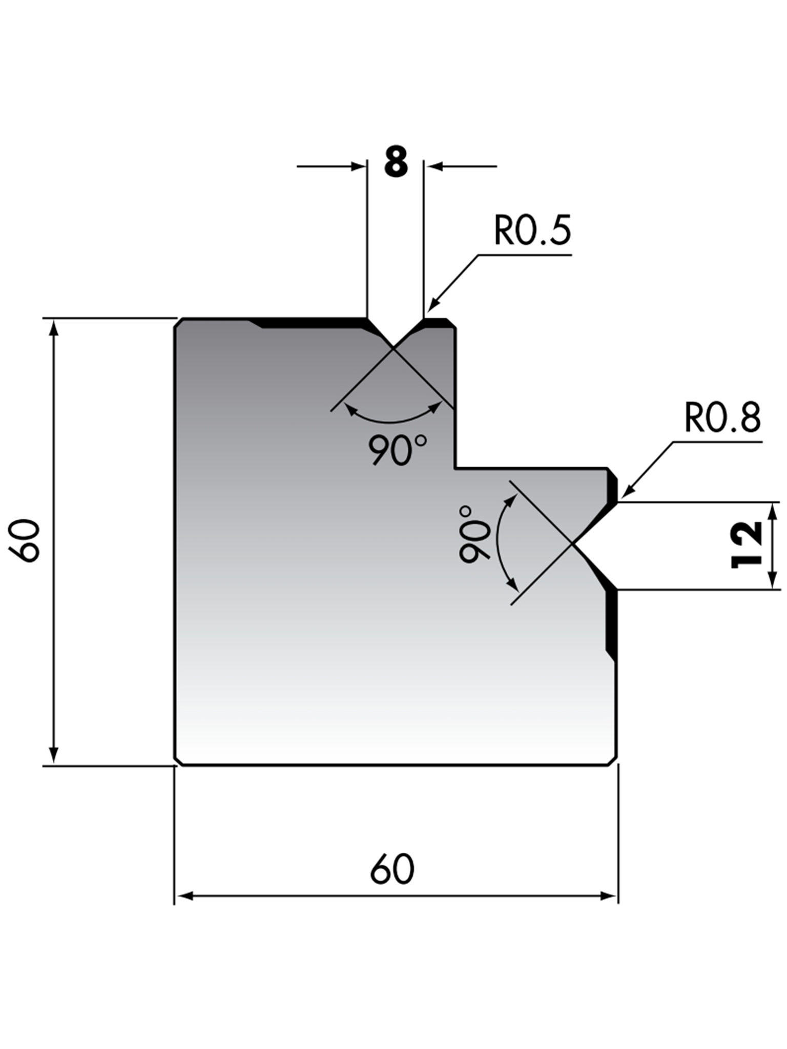
V8 и V12 гнут листовой металл толщиной 1-1,5 мм, размер квадратной матрицы: 60*60*835 мм, V8-V12, 90 градусов. Вес — 21 кг. Материал — 42CrMo4, твердость HRC47+/-3.
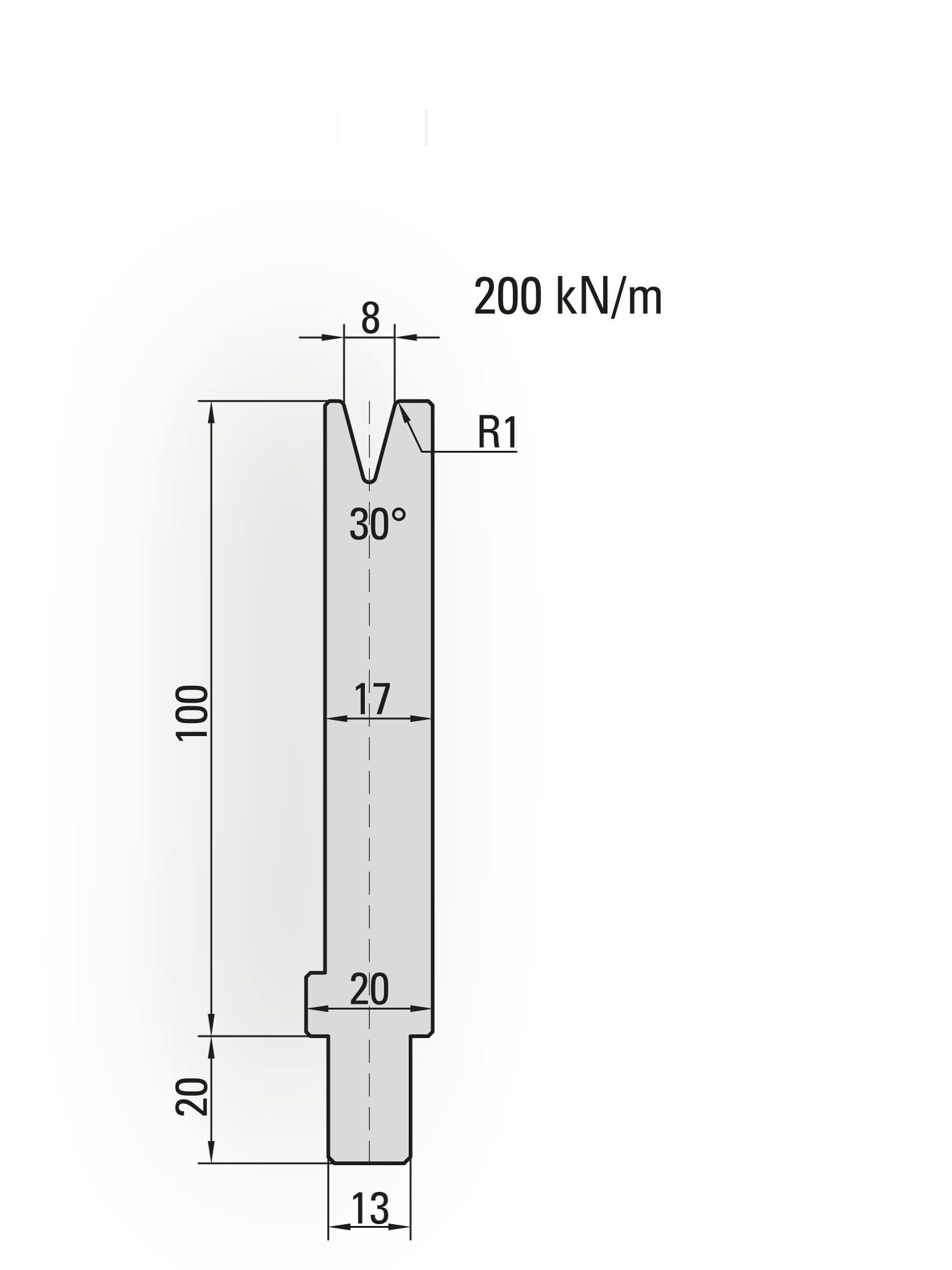
V8 и V12 гнут листовой металл толщиной 1-1,5 мм, размер штампа: 46*50*835 мм, V8-V12, 30 градусов. Вес — 13,2 кг. Материал — 42CrMo4, твердость HRC47+/-3.
Размер матрицы телевизора: 80*60*835 мм, V12, 30 градусов. Материал - 42CrMo4, твердость HRC52-58. 88°, 85°, 80°, 60°, 45°, 35°, 30°, 26° и V6, V8, V10, V16, V20, V25 (можно настроить в соответствии с потребностями клиентов)
Вы можете связаться с нами любым удобным для вас способом. Мы доступны круглосуточно по факсу, электронной почте или телефону. Мы рады сотрудничеству и будем развиваться вместе с вами.